R168減速電機詳細信息
R168減速電機
R168減速電機功率計算公式:齒輪減速馬達
軌道車參數:輥輪直徑400,承重50噸,駛行一分鍾12米
12米÷(0.4輥輪直徑×3.14)=9.55轉每分鍾
50噸換算成N=500000N
500000×0.2輥輪半徑×0.3橡膠輪水泥路的摩擦係數=6000N.m
通常確保萬無一失,我們會把輸出扭矩放大兩倍6000×2=12000N.m
電機轉數1400÷輸出轉數9.55=146.59比
12000N.m輸出扭矩÷146.59比=81.86N.m電機扭矩
81.86N.m電機扭矩換算成功率13KW以上
對應的R168減速機型號參數:
型號:R168-B15KW
減速比:153.07
輸出轉數:9.6轉每分鍾
輸出扭矩:14900N.m
安全係數:1.20
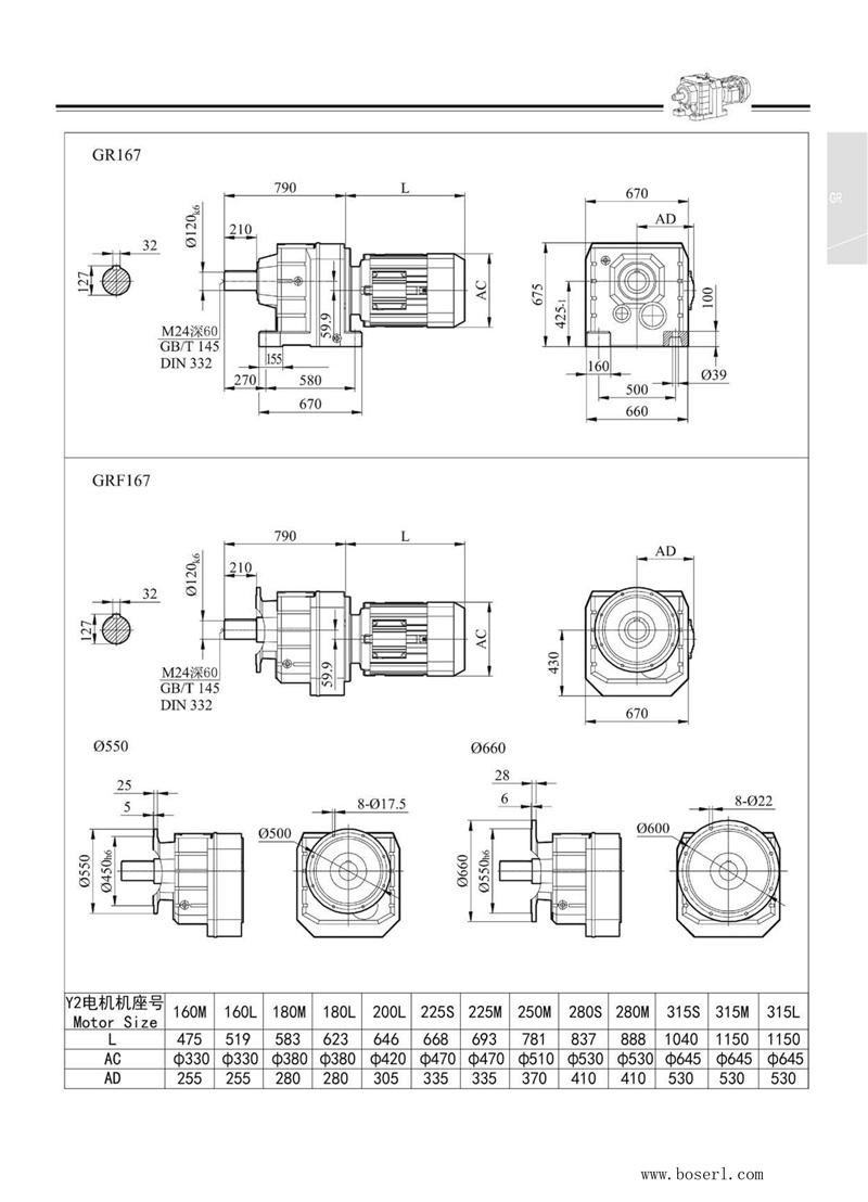
R168減速機基座尺寸:輸出軸Φ20+鍵2.5(可定做),高134*寬135*長174(帶輸出軸)R係列減速機

R168斜齒輪硬齒麵減速機型號:

R168減速電機型號參數:同軸斜齒輪減速電機
R168減速機配11KW電機參數
| 型號 | 功率 | 轉數 | 扭矩 | 安全係數 |
| R167F-Y11KW | 11KW | 6.4rpm | 16500N.m | 1.1 |
| R167F-Y11KW | 11KW | 7.8rpm | 13400N.m | 1.35 |
| R167F-Y11KW | 11KW | 9.5rpm | 11000N.m | 1.65 |
| R167F-Y11KW | 11KW | 10rpm | 10000N.m | 1.8 |
| R167F-Y11KW | 11KW | 12rpm | 8760N.m | 2 |
| R167F-Y11KW | 11KW | 14rpm | 7730N.m | 2.3 |
| R167F-Y11KW | 11KW | 16rpm | 6700N.m | 2.7 |
| R167F-Y11KW | 11KW | 18rpm | 5960N.m | 3 |
R168減速機配15KW電機參數
| 型號 | 功率 | 轉數 | 扭矩 | 安全係數 |
| R167F-Y15KW | 15KW | 6.4rpm | 22500N.m | 0.8 |
| R167F-Y15KW | 15KW | 7.8rpm | 18300N.m | 1 |
| R167F-Y15KW | 15KW | 9.5rpm | 15000N.m | 1.2 |
| R167F-Y15KW | 15KW | 10rpm | 13700N.m | 1.3 |
| R167F-Y15KW | 15KW | 12rpm | 12000N.m | 1.5 |
| R167F-Y15KW | 15KW | 14rpm | 10500N.m | 1.7 |
| R167F-Y15KW | 15KW | 16rpm | 9140N.m | 1.95 |
| R167F-Y15KW | 15KW | 18rpm | 8130N.m | 2.2 |
| R167F-Y15KW | 15KW | 20rpm | 7230N.m | 2.5 |
| R167F-Y15KW | 15KW | 22rpm | 1610N.m | 2.7 |
R168減速機配18.5KW電機參數
| 型號 | 功率 | 轉數 | 扭矩 | 安全係數 |
| R167F-Y18.5KW | 18.5KW | 7.8rpm | 22600N.m | 0.8 |
| R167F-Y18.5KW | 18.5KW | 9.5rpm | 18500N.m | 0.95 |
| R167F-Y18.5KW | 18.5KW | 10rpm | 16900N.m | 1.05 |
| R167F-Y18.5KW | 18.5KW | 12rpm | 14700N.m | 1.2 |
| R167F-Y18.5KW | 18.5KW | 14rpm | 13000N.m | 1.4 |
| R167F-Y18.5KW | 18.5KW | 16rpm | 11200N.m | 1.6 |
| R167F-Y18.5KW | 18.5KW | 18rpm | 10000N.m | 1.8 |
| R167F-Y18.5KW | 18.5KW | 20rpm | 8910N.m | 2 |
| R167F-Y18.5KW | 18.5KW | 22rpm | 8150N.m | 2.2 |
| R167F-Y18.5KW | 18.5KW | 25rpm | 7090N.m | 2.5 |
R168減速機配22KW電機參數
| 型號 | 功率 | 轉數 | 扭矩 | 安全係數 |
| R167F-Y22KW | 22KW | 9.5rpm | 22000 | 0.8 |
| R167F-Y22KW | 22KW | 10rpm | 20100 | 0.9 |
| R167F-Y22KW | 22KW | 12rpm | 17500 | 1.05 |
| R167F-Y22KW | 22KW | 14rpm | 15400 | 1.15 |
| R167F-Y22KW | 22KW | 16rpm | 13400 | 1.35 |
| R167F-Y22KW | 22KW | 18rpm | 11900 | 1.5 |
| R167F-Y22KW | 22KW | 20rpm | 10600 | 1.7 |
| R167F-Y22KW | 22KW | 22rpm | 9690 | 1.85 |
| R167F-Y22KW | 22KW | 25rpm | 8430 | 2.1 |
| R167F-Y22KW | 22KW | 28rpm | 7440 | 2.4 |
| R167F-Y22KW | 22KW | 33rpm | 6450 | 2.8 |
R168減速機配30KW電機參數
| 型號 | 功率 | 轉數 | 扭矩 | 安全係數 |
| R167F-Y30KW | 30kw | 14rpm | 20900N.m | 0.85 |
| R167F-Y30KW | 30kw | 16rpm | 18100N.m | 1 |
| R167F-Y30KW | 30kw | 18rpm | 16100N.m | 1.1 |
| R167F-Y30KW | 30kw | 20rpm | 14300N.m | 1.25 |
| R167F-Y30KW | 30kw | 22rpm | 13100N.m | 1.4 |
| R167F-Y30KW | 30kw | 25rpm | 11400N.m | 1.6 |
| R167F-Y30KW | 30kw | 28rpm | 10100N.m | 1.8 |
| R167F-Y30KW | 30kw | 33rpm | 8710N.m | 2.1 |
| R167F-Y30KW | 30kw | 37rpm | 7750N.m | 2.3 |
| R167F-Y30KW | 30kw | 43rpm | 6680N.m | 2.7 |
| R167F-Y30KW | 30kw | 53rpm | 5430N.m | 3.3 |
| R167F-Y30KW | 30kw | 62rpm | 4610N.m | 3.9 |
R168減速機配37KW電機參數
| 型號 | 功率 | 轉數 | 扭矩 | 安全係數 |
| R167F-Y37KW | 37kw | 16rpm | 22300N.m | 0.8 |
| R167F-Y37KW | 37kw | 18rpm | 19900N.m | 0.9 |
| R167F-Y37KW | 37kw | 20rpm | 17700N.m | 1 |
| R167F-Y37KW | 37kw | 22rpm | 16100N.m | 1.1 |
| R167F-Y37KW | 37kw | 25rpm | 14000N.m | 1.3 |
| R167F-Y37KW | 37kw | 28rpm | 12400N.m | 1.45 |
| R167F-Y37KW | 37kw | 33rpm | 10700N.m | 1.65 |
| R167F-Y37KW | 37kw | 37rpm | 9590N.m | 1.9 |
| R167F-Y37KW | 37kw | 43rpm | 8270N.m | 2.2 |
| R167F-Y37KW | 37kw | 53rpm | 6710N.m | 2.7 |
| R167F-Y37KW | 37kw | 48rpm | 7380N.m | 1.35 |
| R167F-Y37KW | 37kw | 60rpm | 5900N.m | 2.4 |
| R167F-Y37KW | 37kw | 67rpm | 5250N.m | 2.5 |
| R167F-Y37KW | 37kw | 77rpm | 4570N.m | 3.5 |
| R167F-Y37KW | 37kw | 87rpm | 4080N.m | 3.7 |
R168減速機配45KW電機參數
| 型號 | 功率 | 轉數 | 扭矩 | 安全係數 |
| R167F-Y45KW | 45kw | 20rpm | 21300N.m | 0.85 |
| R167F-Y45KW | 45kw | 22rpm | 19500N.m | 0.9 |
| R167F-Y45KW | 45kw | 25rpm | 17000N.m | 1.05 |
| R167F-Y45KW | 45kw | 29rpm | 15000N.m | 1.2 |
| R167F-Y45KW | 45kw | 33rpm | 13000N.m | 1.4 |
| R167F-Y45KW | 45kw | 37rpm | 11500N.m | 1.55 |
| R167F-Y45KW | 45kw | 43rpm | 9990N.m | 1.8 |
| R167F-Y45KW | 45kw | 53rpm | 8110N.m | 2.2 |
| R167F-Y45KW | 45kw | 62rpm | 6880N.m | 2.6 |
| R167F-Y45KW | 45kw | 48rpm | 8910N.m | 1.1 |
| R167F-Y45KW | 45kw | 60rpm | 7130N.m | 1.95 |
| R167F-Y45KW | 45kw | 68rpm | 6340N.m | 2 |
| R167F-Y45KW | 45kw | 78rpm | 5520N.m | 2.9 |
| R167F-Y45KW | 45kw | 87rpm | 4930N.m | 3 |
R168減速機配55KW電機參數
| 型號 | 功率 | 轉數 | 扭矩 | 安全係數 |
| R167F-Y55KW | 55kw | 25rpm | 20800N.m | 0.85 |
| R167F-Y55KW | 55kw | 28rpm | 18400N.m | 1 |
| R167F-Y55KW | 55kw | 33rpm | 15900N.m | 1.15 |
| R167F-Y55KW | 55kw | 37rpm | 14200N.m | 1.25 |
| R167F-Y55KW | 55kw | 43rpm | 12200N.m | 1.45 |
| R167F-Y55KW | 55kw | 53rpm | 9950N.m | 1.8 |
| R167F-Y55KW | 55kw | 62rpm | 8440N.m | 2.1 |
| R167F-Y55KW | 55kw | 60rpm | 8740N.m | 1.6 |
| R167F-Y55KW | 55kw | 68rpm | 7770N.m | 1.65 |
| R167F-Y55KW | 55kw | 78rpm | 6770N.m | 2.4 |
| R167F-Y55KW | 55kw | 87rpm | 6040N.m | 2.5 |
| R167F-Y55KW | 55kw | 102rpm | 5150N.m | 3.5 |
| R167F-Y55KW | 55kw | 123rpm | 4270N.m | 4 |
R168減速機配75KW電機參數
| 型號 | 功率 | 轉數 | 扭矩 | 安全係數 |
| R167F-Y75KW | 75kw | 33rpm | 21700N.m | 0.85 |
| R167F-Y75KW | 75kw | 37rpm | 19300N.m | 0.95 |
| R167F-Y75KW | 75kw | 43rpm | 16600N.m | 1.1 |
| R167F-Y75KW | 75kw | 53rpm | 13500N.m | 1.35 |
| R167F-Y75KW | 75kw | 62rpm | 11400N.m | 1.55 |
| R167F-Y75KW | 75kw | 60rpm | 11800N.m | 1.2 |
| R167F-Y75KW | 75kw | 68rpm | 10500N.m | 1.25 |
| R167F-Y75KW | 75kw | 78rpm | 9210N.m | 1.75 |
| R167F-Y75KW | 75kw | 87rpm | 8210N.m | 1.85 |
| R167F-Y75KW | 75kw | 102rpm | 7000N.m | 2.6 |
| R167F-Y75KW | 75kw | 123rpm | 5800N.m | 2.9 |
| R167F-Y75KW | 75kw | 145rpm | 4950N.m | 3.4 |
R168減速機配90KW電機參數
| 型號 | 功率 | 轉數 | 扭矩 | 安全係數 |
| R167F-Y90KW | 90kw | 37rpm | 23100N.m | 0.8 |
| R167F-Y90KW | 90kw | 43rpm | 19900N.m | 0.9 |
| R167F-Y90KW | 90kw | 53rpm | 16200N.m | 1.1 |
| R167F-Y90KW | 90kw | 62rpm | 13700N.m | 1.3 |
| R167F-Y90KW | 90kw | 78rpm | 11000N.m | 1.45 |
| R167F-Y90KW | 90kw | 87rpm | 9860N.m | 1.5 |
| R167F-Y90KW | 90kw | 102rpm | 8400N.m | 2.1 |
| R167F-Y90KW | 90kw | 123rpm | 6960N.m | 2.4 |
| R167F-Y90KW | 90kw | 145rpm | 5940N.m | 2.9 |
R168減速機配110KW電機參數
| 型號 | 功率 | 轉數 | 扭矩 | 安全係數 |
| R167F-Y110KW | 110kw | 53rpm | 19800N.m | 0.9 |
| R167F-Y110KW | 110kw | 63rpm | 16700N.m | 1.05 |
| R167F-Y110KW | 110kw | 78rpm | 13400N.m | 1.2 |
| R167F-Y110KW | 110kw | 87rpm | 12000N.m | 1.25 |
| R167F-Y110KW | 110kw | 102rpm | 10200N.m | 1.75 |
| R167F-Y110KW | 110kw | 124rpm | 8490N.m | 2 |
| R167F-Y110KW | 110kw | 145rpm | 7250N.m | 2.3 |
R168減速機配132KW電機參數
| 型號 | 功率 | 轉數 | 扭矩 | 安全係數 |
| R167F-Y132KW | 132kw | 63rpm | 20100N.m | 0.9 |
| R167F-Y132KW | 132kw | 78rpm | 16100N.m | 1 |
| R167F-Y132KW | 132kw | 87rpm | 14400N.m | 1.05 |
| R167F-Y132KW | 132kw | 102rpm | 12200N.m | 1.45 |
| R167F-Y132KW | 132kw | 124rpm | 10100N.m | 1.65 |
| R167F-Y132KW | 132kw | 145rpm | 8680N.m | 1.95 |
R168減速電機生產工廠展示:看廠請聯係微信13827261050,獲取位置,需提前一天預約
關鍵詞:同向減速機臥式配電機一體式_R係列減速電機_R係列減速機_R係列減速器_同向減速器_GR型減速機_R向減速機_R係列斜齒輪減速機_GR係列減速機_R型減速機_GR係列斜齒輪減速機
R係列減速機型號:R18減速機,R28減速機,R38減速機,R48減速機,R58減速機,R68減速機,R78減速機,R88減速機,R98減速機,R108減速機,R138減速機,R148減速機,R168減速機
R係列齒輪減速馬達可配變頻電機,刹車電機,防爆電機,伺服電機,交流電機,直流電機,三相電機,單相電機 0.12KW-132KW之間
如需工程師幫選型,請加微信13827261050,留言告知工程師參數要求
標簽:   R168減速電機 R167斜齒輪硬齒麵減速機 R167減速機功率 R167減速機基座尺寸 R167減速機模型 R167減速機型號參數
