RX58減速電機詳細信息
RX58減速電機
RX58減速電機功率計算公式:齒輪減速馬達
觀光小火車參數:鏈輪直徑105,拉動2.7噸,運輸一分鍾44米
44米÷(0.105鏈輪直徑X3.14)=133.45轉每分鍾
2.7噸換算成N=27000N
27000×0.0525鏈輪半徑×0.3橡膠輪水泥路的摩擦係數=425.25N.m
通常確保萬無一失,我們會把輸出扭矩放大兩倍425.25×2=850.5N.m
電機轉數1400÷輸出轉數85.05=16.46比
850.5N.m輸出扭矩÷16.46比=51.67N.m電機扭矩
51.67N.m電機扭矩換算成功率7.5KW以上
對應的RX58減速機型號參數:
型號:RX58-BVP7.5KW
減速比:16.46
輸出轉數:133.45轉每分鍾
輸出扭矩:870N.m
安全係數:2.40
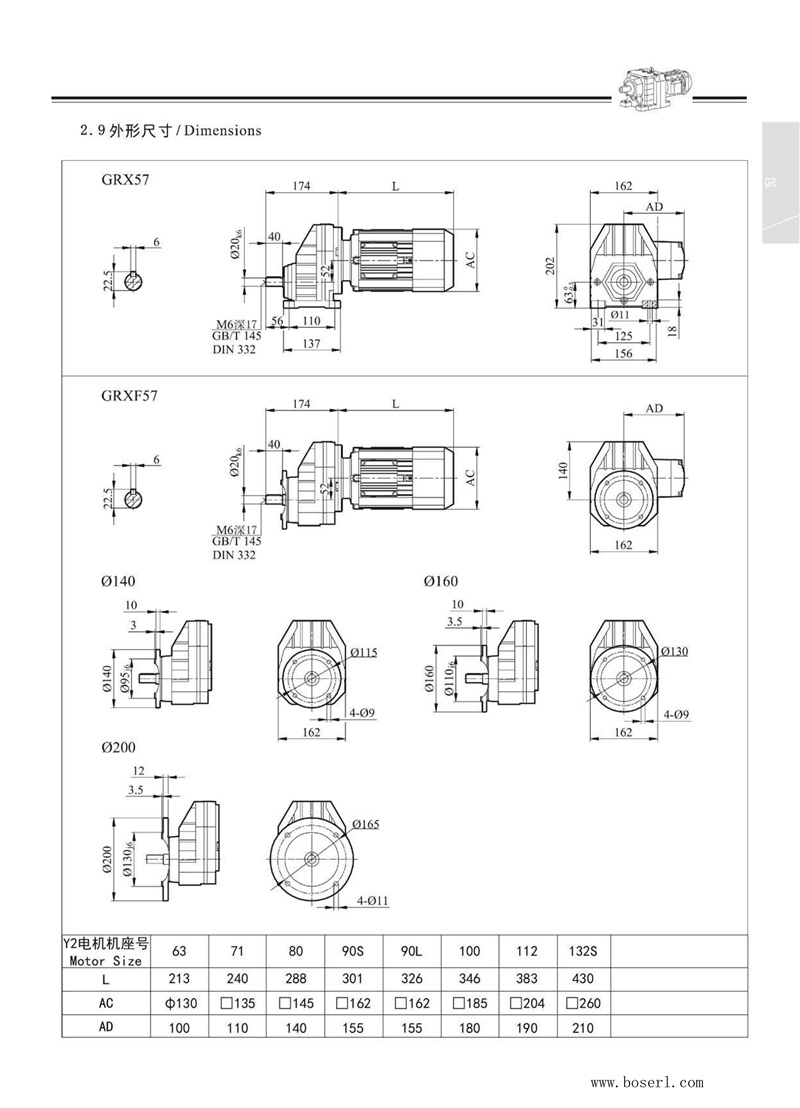
RX58減速機基座尺寸:輸出軸Φ20+鍵2.5(可定做),高134*寬135*長174(帶輸出軸)RX係列減速機

RX58臥式斜齒輪硬齒麵減速機型號:

RX58減速電機型號參數:同軸斜齒輪減速電機
RX58減速機配0.12KW電機參數
| 型號 | 功率 | 輸出轉數 | 輸出扭矩 | 服務係數 |
| RX58-Y0.12KW | 0.12KW | 7.40rpm | 155N.m | 2.90 |
| RX58-Y0.12KW | 0.12KW | 8.00rpm | 143N.m | 3.20 |
| RX58-Y0.12KW | 0.12KW | 9.30rpm | 123N.m | 3.70 |
| RX58-Y0.12KW | 0.12KW | 11.0rpm | 107N.m | 4.20 |
RX58減速機配0.18KW電機參數
| 型號 | 功率 | 輸出轉數 | 輸出扭矩 | 服務係數 |
| RX58-Y0.18KW | 0.18KW | 7.10rpm | 240N.m | 1.85 |
| RX58-Y0.18KW | 0.18KW | 7.70rpm | 220N.m | 2.00 |
| RX58-Y0.18KW | 0.18KW | 8.90rpm | 193N.m | 2.30 |
| RX58-Y0.18KW | 0.18KW | 10.0rpm | 168N.m | 2.70 |
| RX58-Y0.18KW | 0.18KW | 11.0rpm | 157N.m | 2.90 |
| RX58-Y0.18KW | 0.18KW | 12.0rpm | 139N.m | 3.20 |
| RX58-Y0.18KW | 0.18KW | 13.0rpm | 129N.m | 3.50 |
| RX58-Y0.18KW | 0.18KW | 15.0rpm | 117N.m | 3.80 |
RX58減速機配0.25KW電機參數
| 型號 | 功率 | 輸出轉數 | 輸出扭矩 | 服務係數 |
| RX58-Y0.25KW | 0.25KW | 7.00rpm | 340N.m | 1.30 |
| RX58-Y0.25KW | 0.25KW | 7.60rpm | 315N.m | 1.40 |
| RX58-Y0.25KW | 0.25KW | 8.80rpm | 270N.m | 1.65 |
| RX58-Y0.25KW | 0.25KW | 10.0rpm | 235N.m | 1.90 |
| RX58-Y0.25KW | 0.25KW | 11.0rpm | 220N.m | 2.00 |
| RX58-Y0.25KW | 0.25KW | 12.0rpm | 196N.m | 2.30 |
| RX58-Y0.25KW | 0.25KW | 13.0rpm | 182N.m | 2.50 |
| RX58-Y0.25KW | 0.25KW | 14.0rpm | 165N.m | 2.70 |
| RX58-Y0.25KW | 0.25KW | 16.0rpm | 148N.m | 3.00 |
| RX58-Y0.25KW | 0.25KW | 19.0rpm | 127N.m | 3.50 |
RX58減速機配0.37KW電機參數
| 型號 | 功率 | 輸出轉數 | 輸出扭矩 | 服務係數 |
| RX58-Y0.37KW | 0.37KW | 7.40rpm | 475N.m | 0.95 |
| RX58-Y0.37KW | 0.37KW | 8.00rpm | 440N.m | 1.00 |
| RX58-Y0.37KW | 0.37KW | 9.30rpm | 375N.m | 1.20 |
| RX58-Y0.37KW | 0.37KW | 11.0rpm | 325N.m | 1.35 |
| RX58-Y0.37KW | 0.37KW | 12.0rpm | 305N.m | 1.45 |
| RX58-Y0.37KW | 0.37KW | 13.0rpm | 270N.m | 1.65 |
| RX58-Y0.37KW | 0.37KW | 14.0rpm | 250N.m | 1.80 |
| RX58-Y0.37KW | 0.37KW | 15.0rpm | 225N.m | 1.95 |
| RX58-Y0.37KW | 0.37KW | 17.0rpm | 205N.m | 2.20 |
| RX58-Y0.37KW | 0.37KW | 20.0rpm | 177N.m | 2.50 |
| RX58-Y0.37KW | 0.37KW | 21.0rpm | 166N.m | 2.70 |
| RX58-Y0.37KW | 0.37KW | 24.0rpm | 147N.m | 3.10 |
| RX58-Y0.37KW | 0.37KW | 26.0rpm | 136N.m | 3.30 |
| RX58-Y0.37KW | 0.37KW | 29.0rpm | 124N.m | 3.60 |
RX58減速機配0.55KW電機參數
| 型號 | 功率 | 輸出轉數 | 輸出扭矩 | 服務係數 |
| RX58-Y0.55KW | 0.55KW | 11.0rpm | 455N.m | 1.00 |
| RX58-Y0.55KW | 0.55KW | 13.0rpm | 405N.m | 1.10 |
| RX58-Y0.55KW | 0.55KW | 14.0rpm | 375N.m | 1.20 |
| RX58-Y0.55KW | 0.55KW | 15.0rpm | 340N.m | 1.30 |
| RX58-Y0.55KW | 0.55KW | 17.0rpm | 305N.m | 1.45 |
| RX58-Y0.55KW | 0.55KW | 20.0rpm | 260N.m | 1.70 |
| RX58-Y0.55KW | 0.55KW | 21.0rpm | 245N.m | 1.80 |
| RX58-Y0.55KW | 0.55KW | 24.0rpm | 215N.m | 2.10 |
| RX58-Y0.55KW | 0.55KW | 26.0rpm | 200N.m | 2.20 |
| RX58-Y0.55KW | 0.55KW | 29.0rpm | 184N.m | 2.40 |
| RX58-Y0.55KW | 0.55KW | 32.0rpm | 165N.m | 2.70 |
| RX58-Y0.55KW | 0.55KW | 37.0rpm | 142N.m | 3.20 |
| RX58-Y0.55KW | 0.55KW | 39.0rpm | 134N.m | 3.40 |
| RX58-Y0.55KW | 0.55KW | 52.0rpm | 100N.m | 4.50 |
| RX58-Y0.55KW | 0.55KW | 55.0rpm | 95N.m | 4.70 |
| RX58-Y0.55KW | 0.55KW | 63.0rpm | 84N.m | 5.40 |
| RX58-Y0.55KW | 0.55KW | 74.0rpm | 71N.m | 6.40 |
RX58減速機配0.75KW電機參數
| 型號 | 功率 | 輸出轉數 | 輸出扭矩 | 服務係數 |
| RX58-Y0.75KW | 0.75KW | 13.0rpm | 530N.m | 0.85 |
| RX58-Y0.75KW | 0.75KW | 14.0rpm | 490N.m | 0.90 |
| RX58-Y0.75KW | 0.75KW | 16.0rpm | 445N.m | 1.00 |
| RX58-Y0.75KW | 0.75KW | 18.0rpm | 400N.m | 1.10 |
| RX58-Y0.75KW | 0.75KW | 21.0rpm | 345N.m | 1.30 |
| RX58-Y0.75KW | 0.75KW | 22.0rpm | 320N.m | 1.40 |
| RX58-Y0.75KW | 0.75KW | 25.0rpm | 285N.m | 1.55 |
| RX58-Y0.75KW | 0.75KW | 27.0rpm | 265N.m | 1.70 |
| RX58-Y0.75KW | 0.75KW | 30.0rpm | 240N.m | 1.85 |
| RX58-Y0.75KW | 0.75KW | 33.0rpm | 215N.m | 2.10 |
| RX58-Y0.75KW | 0.75KW | 38.0rpm | 186N.m | 2.40 |
| RX58-Y0.75KW | 0.75KW | 41.0rpm | 175N.m | 2.60 |
| RX58-Y0.75KW | 0.75KW | 48.0rpm | 151N.m | 3.00 |
| RX58-Y0.75KW | 0.75KW | 53.0rpm | 135N.m | 3.30 |
| RX58-Y0.75KW | 0.75KW | 55.0rpm | 131N.m | 3.40 |
| RX58-Y0.75KW | 0.75KW | 57.0rpm | 125N.m | 3.60 |
| RX58-Y0.75KW | 0.75KW | 65.0rpm | 109N.m | 4.10 |
| RX58-Y0.75KW | 0.75KW | 77.0rpm | 93N.m | 4.80 |
RX58減速機配1.1KW電機參數
| 型號 | 功率 | 輸出轉數 | 輸出扭矩 | 服務係數 |
| RX58-Y1.1KW | 1.1KW | 21.0rpm | 510N.m | 0.90 |
| RX58-Y1.1KW | 1.1KW | 22.0rpm | 475N.m | 0.95 |
| RX58-Y1.1KW | 1.1KW | 25.0rpm | 420N.m | 1.05 |
| RX58-Y1.1KW | 1.1KW | 27.0rpm | 390N.m | 1.15 |
| RX58-Y1.1KW | 1.1KW | 29.0rpm | 355N.m | 1.25 |
| RX58-Y1.1KW | 1.1KW | 33.0rpm | 320N.m | 1.40 |
| RX58-Y1.1KW | 1.1KW | 38.0rpm | 275N.m | 1.65 |
| RX58-Y1.1KW | 1.1KW | 40.0rpm | 255N.m | 1.75 |
| RX58-Y1.1KW | 1.1KW | 47.0rpm | 220N.m | 2.00 |
| RX58-Y1.1KW | 1.1KW | 53.0rpm | 200N.m | 2.30 |
| RX58-Y1.1KW | 1.1KW | 54.0rpm | 195N.m | 2.30 |
| RX58-Y1.1KW | 1.1KW | 57.0rpm | 185N.m | 2.40 |
| RX58-Y1.1KW | 1.1KW | 65.0rpm | 162N.m | 2.80 |
| RX58-Y1.1KW | 1.1KW | 76.0rpm | 138N.m | 3.30 |
| RX58-Y1.1KW | 1.1KW | 85.0rpm | 124N.m | 3.60 |
RX58減速機配1.5KW電機參數
| 型號 | 功率 | 輸出轉數 | 輸出扭矩 | 服務係數 |
| RX58-Y1.5KW | 1.5KW | 27.0rpm | 530N.m | 0.85 |
| RX58-Y1.5KW | 1.5KW | 30.0rpm | 480N.m | 0.95 |
| RX58-Y1.5KW | 1.5KW | 33.0rpm | 430N.m | 1.05 |
| RX58-Y1.5KW | 1.5KW | 38.0rpm | 370N.m | 1.20 |
| RX58-Y1.5KW | 1.5KW | 41.0rpm | 350N.m | 1.30 |
| RX58-Y1.5KW | 1.5KW | 47.0rpm | 300N.m | 1.50 |
| RX58-Y1.5KW | 1.5KW | 53.0rpm | 270N.m | 1.65 |
| RX58-Y1.5KW | 1.5KW | 54.0rpm | 260N.m | 1.70 |
| RX58-Y1.5KW | 1.5KW | 57.0rpm | 250N.m | 1.80 |
| RX58-Y1.5KW | 1.5KW | 65.0rpm | 215N.m | 2.00 |
| RX58-Y1.5KW | 1.5KW | 77.0rpm | 186N.m | 2.40 |
| RX58-Y1.5KW | 1.5KW | 85.0rpm | 168N.m | 2.70 |
| RX58-Y1.5KW | 1.5KW | 97.0rpm | 148N.m | 2.90 |
| RX58-Y1.5KW | 1.5KW | 103rpm | 140N.m | 3.10 |
| RX58-Y1.5KW | 1.5KW | 120rpm | 119N.m | 3.40 |
RX58減速機配2.2KW電機參數
| 型號 | 功率 | 輸出轉數 | 輸出扭矩 | 服務係數 |
| RX58-Y2.2KW | 2.2KW | 38.0rpm | 545N.m | 0.80 |
| RX58-Y2.2KW | 2.2KW | 41.0rpm | 515N.m | 0.85 |
| RX58-Y2.2KW | 2.2KW | 47.0rpm | 445N.m | 1.00 |
| RX58-Y2.2KW | 2.2KW | 53.0rpm | 395N.m | 1.15 |
| RX58-Y2.2KW | 2.2KW | 65.0rpm | 320N.m | 1.40 |
| RX58-Y2.2KW | 2.2KW | 77.0rpm | 270N.m | 1.65 |
| RX58-Y2.2KW | 2.2KW | 85.0rpm | 245N.m | 1.80 |
| RX58-Y2.2KW | 2.2KW | 96.0rpm | 215N.m | 2.00 |
| RX58-Y2.2KW | 2.2KW | 102rpm | 205N.m | 2.10 |
| RX58-Y2.2KW | 2.2KW | 120rpm | 175N.m | 2.30 |
| RX58-Y2.2KW | 2.2KW | 132rpm | 159N.m | 2.40 |
| RX58-Y2.2KW | 2.2KW | 152rpm | 138N.m | 2.70 |
| RX58-Y2.2KW | 2.2KW | 157rpm | 134N.m | 2.80 |
| RX58-Y2.2KW | 2.2KW | 179rpm | 118N.m | 3.00 |
RX58減速機配3KW電機參數
| 型號 | 功率 | 輸出轉數 | 輸出扭矩 | 服務係數 |
| RX58-Y3KW | 3KW | 54.0rpm | 530N.m | 0.85 |
| RX58-Y3KW | 3KW | 66.0rpm | 430N.m | 1.05 |
| RX58-Y3KW | 3KW | 78.0rpm | 365N.m | 1.25 |
| RX58-Y3KW | 3KW | 87.0rpm | 330N.m | 1.35 |
| RX58-Y3KW | 3KW | 98.0rpm | 290N.m | 1.50 |
| RX58-Y3KW | 3KW | 104rpm | 270N.m | 1.55 |
| RX58-Y3KW | 3KW | 122rpm | 230N.m | 1.75 |
| RX58-Y3KW | 3KW | 135rpm | 210N.m | 1.85 |
| RX58-Y3KW | 3KW | 156rpm | 184N.m | 2.00 |
| RX58-Y3KW | 3KW | 161rpm | 178N.m | 2.10 |
| RX58-Y3KW | 3KW | 183rpm | 157N.m | 2.30 |
| RX58-Y3KW | 3KW | 193rpm | 148N.m | 2.40 |
| RX58-Y3KW | 3KW | 227rpm | 126N.m | 2.60 |
| RX58-Y3KW | 3KW | 250rpm | 115N.m | 2.80 |
| RX58-Y3KW | 3KW | 288rpm | 99N.m | 3.10 |
| RX58-Y3KW | 3KW | 331rpm | 86N.m | 3.20 |
RX58減速機配4KW電機參數
| 型號 | 功率 | 輸出轉數 | 輸出扭矩 | 服務係數 |
| RX58-Y4KW | 4KW | 78.0rpm | 485N.m | 0.90 |
| RX58-Y4KW | 4KW | 87.0rpm | 435N.m | 1.00 |
| RX58-Y4KW | 4KW | 99.0rpm | 385N.m | 1.15 |
| RX58-Y4KW | 4KW | 105rpm | 365N.m | 1.20 |
| RX58-Y4KW | 4KW | 123rpm | 310N.m | 1.30 |
| RX58-Y4KW | 4KW | 135rpm | 280N.m | 1.40 |
| RX58-Y4KW | 4KW | 156rpm | 240N.m | 1.50 |
| RX58-Y4KW | 4KW | 161rpm | 235N.m | 1.60 |
| RX58-Y4KW | 4KW | 183rpm | 205N.m | 1.70 |
| RX58-Y4KW | 4KW | 194rpm | 197N.m | 1.80 |
| RX58-Y4KW | 4KW | 228rpm | 168N.m | 2.00 |
| RX58-Y4KW | 4KW | 251rpm | 152N.m | 2.10 |
| RX58-Y4KW | 4KW | 289rpm | 132N.m | 2.30 |
| RX58-Y4KW | 4KW | 333rpm | 115N.m | 2.40 |
RX58減速機配5.5KW電機參數
| 型號 | 功率 | 輸出轉數 | 輸出扭矩 | 服務係數 |
| RX58-Y5.5KW | 5.5KW | 98.0rpm | 530N.m | 0.80 |
| RX58-Y5.5KW | 5.5KW | 104rpm | 500N.m | 0.85 |
| RX58-Y5.5KW | 5.5KW | 122rpm | 425N.m | 0.95 |
| RX58-Y5.5KW | 5.5KW | 135rpm | 385N.m | 1.00 |
| RX58-Y5.5KW | 5.5KW | 156rpm | 335N.m | 1.10 |
| RX58-Y5.5KW | 5.5KW | 183rpm | 285N.m | 1.25 |
| RX58-Y5.5KW | 5.5KW | 193rpm | 270N.m | 1.30 |
| RX58-Y5.5KW | 5.5KW | 227rpm | 230N.m | 1.45 |
| RX58-Y5.5KW | 5.5KW | 250rpm | 210N.m | 1.50 |
| RX58-Y5.5KW | 5.5KW | 288rpm | 182N.m | 1.65 |
| RX58-Y5.5KW | 5.5KW | 331rpm | 158N.m | 1.75 |
RX58減速機配7.5KW電機參數
| 型號 | 功率 | 輸出轉數 | 輸出扭矩 | 服務係數 |
| RX58-Y7.5KW | 7.5KW | 184rpm | 385N.m | 0.90 |
| RX58-Y7.5KW | 7.5KW | 195rpm | 365N.m | 0.95 |
| RX58-Y7.5KW | 7.5KW | 229rpm | 310N.m | 1.05 |
| RX58-Y7.5KW | 7.5KW | 252rpm | 280N.m | 1.15 |
| RX58-Y7.5KW | 7.5KW | 291rpm | 245N.m | 1.25 |
| RX58-Y7.5KW | 7.5KW | 335rpm | 210N.m | 1.30 |
RX58減速電機生產工廠展示:看廠請聯係微信13827261050,獲取位置,需提前一天預約
推薦類似型號:R58減速機
關鍵詞:GRX係列減速機一體式_RX係列減速器_減速器電機一體式_減速機馬達一體式_RX係列減速機_RX型減速機_電機減速機一體式_GRX係列減速機_減速機電機一體式
RX係列斜齒輪減速機型號:RX58減速機,RX68減速機,RX78減速機,RX88減速機,RX98減速機,RX108減速機
RX係列齒輪減速馬達可配變頻電機,刹車電機,防爆電機,伺服電機,交流電機,直流電機,三相電機,單相電機 0.12KW-45KW之間
如需工程師幫選型,請加微信13827261050,留言告知工程師參數要求
標簽:   RX58減速電機 RX57臥式斜齒輪硬齒麵減速機 RX57減速機功率 RX57減速機基座尺寸 RX57減速機模型 RX57減速機型號參數
